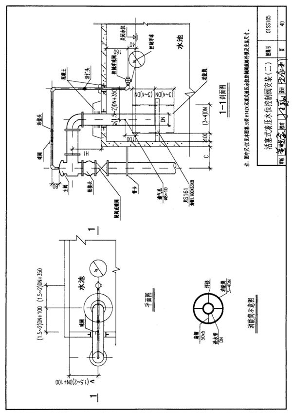
《常用小型仪表及特种阀门选用安装图集》(01SS105)是国家建筑标准设计图集之一,由住房和城乡建设部批准发布。该图集主要针对建筑给排水、暖通空调等工程中常用的小型仪表和特种阀门,提供了详细的选用与安装指导。主要内容包括:1.常用小型仪表的类型、技术参数及安装要求2.特种阀门的结构特点、适用场合和安装方法3.典型安装节点详图4.相关施工注意事项该图集适用于新建、改建和扩建的民用与工业建筑项目,可供设计、施工、监理等单位参考使用。通过规范化的图示和说明,帮助工程技术人员正确选用和安装各类小型仪表及特种阀门,确保工程质量。注:国家建筑标准设计图集属于正式出版物,建议通过正规渠道购买正版。
