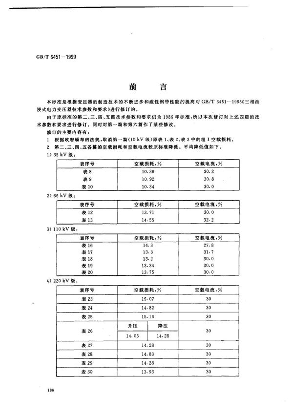
国家标准GB/T6451-1999《三相油浸式电力变压器技术参数和要求》是我国针对三相油浸式电力变压器制定的重要技术标准。该标准规定了三相油浸式电力变压器的基本参数、技术要求、试验方法以及标志、包装、运输和贮存等方面的内容,适用于电压等级为35kV及以下、额定容量为30kVA及以上的三相油浸式电力变压器。标准的主要内容包括:变压器的额定值、性能参数、绝缘水平、温升限值、短路承受能力等技术要求;同时对变压器的结构、组件、材料等也提出了具体规定。此外,标准还详细规定了变压器的例行试验、型式试验和特殊试验的项目及方法。GB/T6451-1999标准的实施,为三相油浸式电力变压器的设计、制造、检验和使用提供了统一的技术依据,对保证变压器产品质量、促进电力设备标准化、保障电力系统安全稳定运行具有重要意义。该标准适用于变压器生产厂家、电力部门、检验机构及相关用户单位。
