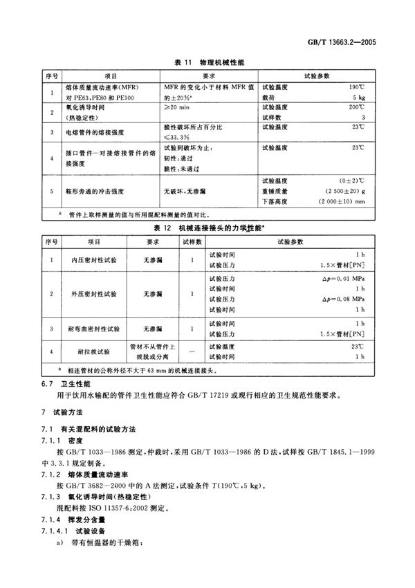
国家标准GB/T13663.2-2005《给水用聚乙烯(PE)管道系统第2部分:管件》是由中国国家标准化管理委员会发布的重要技术标准。该标准规定了给水用聚乙烯(PE)管道系统中管件的术语和定义、材料、产品分类、技术要求、试验方法、检验规则以及标志、包装、运输和贮存等内容。适用于工作温度不超过40℃、最大工作压力不大于2.0MPa的给水用聚乙烯(PE)管件。该标准的实施有助于规范聚乙烯管件的生产和使用,确保给水管网系统的安全性和可靠性,为相关行业提供了统一的技术依据。

国家标准GB/T13663.2-2005《给水用聚乙烯(PE)管道系统第2部分:管件》是由中国国家标准化管理委员会发布的重要技术标准。该标准规定了给水用聚乙烯(PE)管道系统中管件的术语和定义、材料、产品分类、技术要求、试验方法、检验规则以及标志、包装、运输和贮存等内容。适用于工作温度不超过40℃、最大工作压力不大于2.0MPa的给水用聚乙烯(PE)管件。该标准的实施有助于规范聚乙烯管件的生产和使用,确保给水管网系统的安全性和可靠性,为相关行业提供了统一的技术依据。

声明:资源收集自网络无法详细核验或存在错误,仅为个人学习参考使用,如侵犯您的权益,请联系我们处理。
不能下载?报告错误