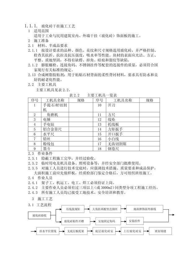
室内干挂墙砖施工工艺是一种现代化的墙面装饰方法,主要用于室内墙面的瓷砖安装。该工艺通过金属挂件将瓷砖固定在墙面上,无需使用传统的水泥砂浆粘贴,具有施工速度快、墙面平整度高、后期维护方便等优点。干挂工艺适用于大规格瓷砖或石材的安装,尤其适合对墙面平整度和装饰效果要求较高的场所,如酒店、商场、办公楼等公共空间。施工过程中需先进行墙面基层处理,安装金属龙骨框架,然后通过挂件将瓷砖固定在龙骨上,最后进行缝隙处理和清洁。相比传统湿贴工艺,干挂墙砖能有效避免空鼓、脱落等问题,且不受气候条件影响,可全天候施工。但该工艺对施工技术要求较高,成本相对较大,适合中高端装修项目使用。
