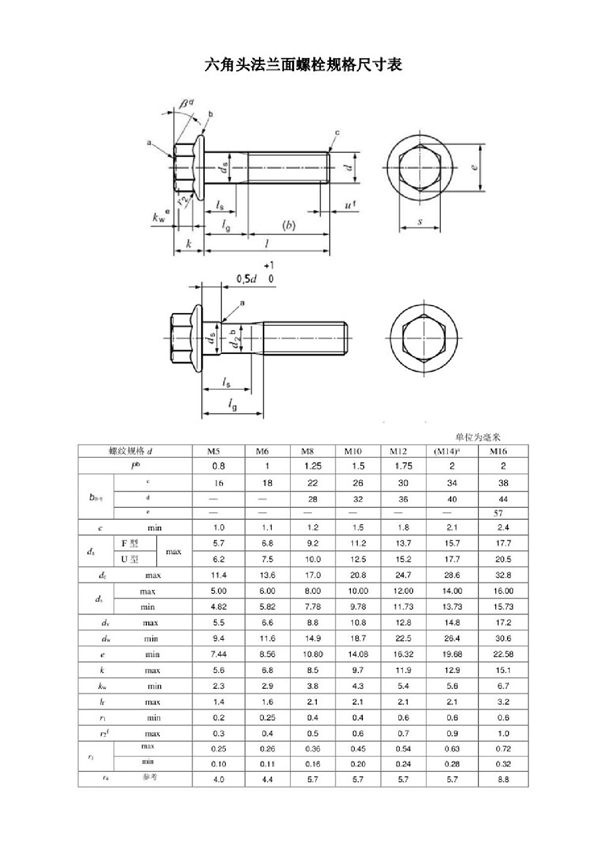
六角头法兰面螺栓是一种常用的紧固件,广泛应用于机械、建筑、汽车等行业。它具有六角头设计,便于使用扳手或套筒进行安装和拆卸,同时法兰面设计增加了接触面积,提供更好的支撑和防松性能。规格尺寸表通常包含螺栓的直径、长度、螺纹规格、法兰直径、厚度等关键参数,帮助用户根据实际需求选择合适的型号。不同标准(如GB、ISO、DIN等)的螺栓尺寸可能略有差异,选用时需注意匹配相应的标准要求。该规格尺寸表可作为工程设计和采购的参考依据,确保螺栓的兼容性和可靠性。

六角头法兰面螺栓是一种常用的紧固件,广泛应用于机械、建筑、汽车等行业。它具有六角头设计,便于使用扳手或套筒进行安装和拆卸,同时法兰面设计增加了接触面积,提供更好的支撑和防松性能。规格尺寸表通常包含螺栓的直径、长度、螺纹规格、法兰直径、厚度等关键参数,帮助用户根据实际需求选择合适的型号。不同标准(如GB、ISO、DIN等)的螺栓尺寸可能略有差异,选用时需注意匹配相应的标准要求。该规格尺寸表可作为工程设计和采购的参考依据,确保螺栓的兼容性和可靠性。

声明:资源收集自网络无法详细核验或存在错误,仅为个人学习参考使用,如侵犯您的权益,请联系我们处理。
不能下载?报告错误